
U Stm8s103f3p6 hè un micruconcroller di 8 bit fabbricatu da stmicroelectronica, rinumata per a so funziunalità impressiunanti è l'integrazione senza pusà.Stu dispusitivu compactu hè dotatu di un stile di muntatura in superficia (SMD) di muntagna, incarnendu un core avanzatu è periferia chì sò meticulosamente fabbricate cù a tecnulugia di u taglio.Cù una frequenza di u clock di 16 MHZ, The StM8S103F3P6 una rapida i / o capacità, assicuratevi di trasfurmazioni di dati efficienti.U so puntu di guerra indipendente, dettente cun un sistema di ragagli indipendenti è sistema di sicurità di l'indipendente, guarantisce u rendimentu ottimale è di a risilire contraptici senza potenziale.
Una di e so caratteristiche di standout hè a so memoria flash, chì furnisce u almacenamentu micca volatile per u codice è i dati.Cù una casa d'operazione di tensava d'operazione da 2.95 v à 5.5 V, questu microcontratore hè altrettantu versatile è adattabile à diverse applicazioni.Inferenge, offre una temperatura d'operazione sanità di -40 ° C à 85 ° C, facendu adattata per a cuncepimentu ambientale diversu.
• msp430g2353
• pic16lf18444


U cunsumu di u putere bassa: Hà una varietà di modi di cunsumu di bassa putenza per sceglie u modalità di l'idle, in modalità di sonnu
Alimentazione alta: Adatta l'architettura alta di cortu StM8, chì permette a frequenza operativa per esse quant'è 16mhz, chì migliore capacità per l'istruzione è furnisce più e capacità di computzione più efficente.
L'interfacce di cumunicazione multipla: supporta una varietà di interfaczioni di cumunicazione cumprendu SPI (interfaccia periferica di seriale), i2c è uarda.À traversu queste interfaces, pò facilmente cumunicà è interagisce cù i dispositi esterni per uttene più funzioni è applicazioni.
Periferi abdennali: U Microconcer Gemrontale STM8S103F3P3, cumprese un 18kb di memoria di flash è 1kb di memoria di ram, in quantu ancu cume cumunimenti usati cum'è i pins di gpio, è uttellu.A diversità di sti periferi face u dispusitivu adattatu per diverse scenarii d'applicazione è ponu scuntrà i bisogni di sfarenti campi è industrie.Sia hè control d'industriale, intelligente, in casa, o sistemi incrustati, stm8s103f3p6 pò furnisce sustegnu.

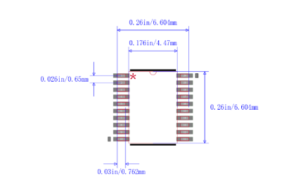
U STM8S103F3P6 hè imballatu in un pacatu fino strintu chjucu (TSSOP) è hà 20 pin.U corpu è u spacing di u corpu sò più chjucu cà i pacchetti soic standard.Una funzione tipica di TSSOP hè a furmazione di Pins Attornu à u Cipre Elettrò, chì a fa adattò per u cablaggiu di u PCBS usendu tecnulugia SMT.Quandu utilizate u pacchettu TSSOP, i paràmetri parassiti (disturbazione di a tensione causata da grandi cambiamenti in corrente) sò più chjucu, cusì hè adattatu per applicazioni di alta frequenza.Stu tipu di pacchettu hè più conveniente per operare è hà una affidabilità più alta.
U pacchettu TSSOP hà e seguenti caratteristiche:
• U picculu spacing pin: U SPACING PIN hè in generale 0,5mm o 0.65mm.Attra à u cuncepimentu di circuitu di cerve à codici Cappre, più dispusitivi ponu esse messi in u circuitu cù a stessa zona è di dimensione.
• U ambiente di l'applicazione: Si pò applicà à diversi campi d'applicazione cum'è microcontrolli, DSPS, Chips di Memoria, è Fornitura di Power Fornitura.
• High P. Contà: U numeru di pinsali hè in generale à u 20 à 64, chì pò riunisce certi requisti di integrazione di e chip.
• A dimensione di u pacchettu chjucu: paragunatu cù i pacchetti ordinarii, u so pacchettu hè più chjucu, u spessore hè più fino, è u voluminu hè più chjucu di i circuiti integrati di alta densità.
• Fiormatu altu: agisce a tecnulugia di a superficia è a so resistenza di a corrosità è si ncuntrinu esigenza speciali cume a miniaturizazione di alta mossione è troppu di frequenza.
A menu chì altrimenti specificatu, tutti i voltages sò riferiti à VSS.
I valori minimi è massimi sò guariti sottu à e cundizioni più avversi, accumpare a temperatura ambientale è di frequenze.Queste gARANTI SCIERLI A TESTI RIGROUS FERE RIGROUS I 100% di i dispuscule, realizati in temperatura ambiente di Ta = 25 ° C è Definitu da a temperatura di a temperatura chjachja).
I valori basati nantu à i Risultati di a carattattamentu, e simulazioni di cuncepimentu, è / o caratteristiche tecnuliche sò distinined à i footnote di u tavulinu è ùn anu micca sottumessu à prova a prova.In quantu à a personaggiu, i valori minimi è massimi è fegati di mostra u valore mediu cun una gamma di plus o minus trè volte a deviazione standard (media ± "3σ).
A menu chì hè dichjaratu esplicitamente, e dati standards cù Ta = 25 ° C, Vdd = 5 V. ste vales si previste solu cum'è referenze di cuncepimentu è ùn anu micca testi di un sottostone.
A precacula tipica di i Valuri ADC hè stabilita per chì a carattarizazione di un inseme di mostri da una diffione di a temperatura cumpleta.In questu cuntestu, u 95% di i dispositi mostra un errore in u valore specificatu (significa ± 2σ).
A menu chì hè specificamente indicatu, tutti i grafici standard sò destinati solu cum'è referenze di designu è ùn sò micca stati sottumessi à pruvà.
A superazione di e valutazioni massima assoluti specificata ponu risultà in danni permanenti à u dispusitivu.Queste valuta indicanu solu i limiti di stress chì u dispusitivu pò sfutà, è ùn hè micca implicatu chì u dispusitivu funzionerà bè sottu queste cundizioni.L'esposizione à e cundizioni à o vicinu à e valutazioni massima ponu impactà a affidabilità di u dispusitivu.
U prufilu di missione di u dispusitivu, chì cumprende e so cundizioni di applicazione, A A ADSES à u livellu di quodec Jed47 di Jedeces, cù e profili di missione estesa disponibile à dumanda.
Per ottene stabilità per u regulatore primariu, un capacellu esternu segnalatu u titutu sbracciatu à u PIN VCAP.Hè indispensabile per assicurà chì l'induttanza di a serie resta sottu à 15 NH.
U cunsumu attuale hè misuratu cum'è illustratu in a seguente stampa.

Consumptu tutale tutale di furnimentu in modu di run
U MCU hè postu sottu à e seguenti cundizioni:
• Tutti i periféi sò disattivati (clock stop sonzati da registri di clock di galline periferici) eccettu si esplicitamente citata.
• Tutti i / o pins in modalità di input cun un valore staticu à VDD o VS (senza carica)
Sottu à e cundizioni di operazione generale per VDD è Ta.

STM8S103F3P6 hà 20 pins, i so nomi di pin è e funzioni sò in seguitu:
Pin1 (PD4 / Beep / Tim2_ Ch1 / UAAR1 _ck): Portu D4
PIN2 (PD5 / AIN5 / UART1 _tx): Portu D5
PIN3 (PD6 / Ain6 / UART1 _RX): Portu D6
Pin4 (Nerst): Resettate
Pin5 (Pa1 / oscin): Port A1
Pin6 (pazzo / Osculo): Portu A2
Pin7 (VSS): Terra digitale
Pin8 (VCAP): 1,8 V Regulatore Capacitor
Pin9 (VDD): Fornimentu di u putere digitale
Pin10 (PA3 / Tim2_ CH3 [SPI_ NSSS]): Port A3
PIN1E (PB5 / I2C_ SDA [TIM1_ BKIN]): Port B5
Pin12 (PB4 / i2C_ SCL): Port B4
Pin13 (PC3 / Tim1_ch3 [Tli] [Tim1_ Ch1N]): Port C3
Pin14 (PC4 / Clk_Cco / Tim1_ Ch4 / Ain2 / [Tim1_ Ch2n]: Port C4
Pin15 (PC5 / SPI_SCK [DIM2_ CH1]): Port C5
Pin16 (PC6гMosi [Tim1_ Ch1]): Port C6
Pin17 (PC7 / SPI_Miso [Tim1_ Ch2]): Port C7
Pin18 (PD1 / natatu): Portu D1
Pin19 (PD2 / Ain3 / [Tim2_ Ch3]): Port D2
PIN20 (PD3 / AIN4 / TIM2_ CH2 / ADC_ ETR): POR D3
Comu affissatu in a figura sopra, u stm8s103f3p6 chip hà finu à una varietà di scopi, interfacfo, etc. essereusatu cum'è i pins di input per leghje i segnali esterni o cum'è PIN OUTPUT per mandà signalazioni à i dispositi esterni.Inoltre, ogni PIN I / O pò esse assignatu indipindente un vettore interrottu per facilità a trasfurmazione precisa di interrompe quandu si trovanu.
• Sistemi d'automations: Stu microcontru pò esse adupratu in i sistemi d'automatica cum'èvali cume i sistemi elettrici, sistemi di cuntrollu, cuntrollu di cuntrollu di a temperatura è di i cuntrolli di illuminazione è illuminazione di illuminazione è illuminazione di illuminazione.
• IOT (Internet di e cose), se avemu bisognu di sviluppà i dispositi iotici, pò esse adupratu cum'è un controller per iotesi per cunnette è cuntrullà i puteri di cumunicazione.
• Disposiiti elettronichi persunali: Usatu di e cameras digitale, mp3 è mp4 ghjucatori, Consoles di ghjocu Electronicu, etc.
• Equipaggiu elettronicu: usatu per sviluppà diversi equipaggiu elettronicu
, cum'è I ghjoculi elettronichi, cuntrolli remoti, mini ciclatatori, etc.
• Campu Industriale: Adutu in Plc, cuntrolli industriali, travocali automation è ship Control di cuntrollu di cuntrollu automaticu, etc.
• Interfaccia di dati è u sensore di u sensore: U sensoru cundizioni ambientali è recullate i dati o di cunnette diversi sensori cum'è sensori ligeri cum'è sensori ligeri, sensori di temperatura, è sensori di u mudificazione.
• Sistemimentu di cuntrollu incrustate: usata à disscepti i mo sistemi di cuntrollu di cuntrollu di l'incrustati, étouli di dometra, architetti elettorici, Etc. so attore elettretu, abbastanza
U STM8S103F3P6 hè un chip di microcontroller sviluppatu da stminecroelectronics.Pertenece à a famiglia Stm8 di i microcontrolli 8-bit è hè largamente usatu in diversi sistemi incrustati è l'applicazioni IOT.
L'unità di Microcontroller StM8S103F3P6 hà 640 Bit Rom, 10-bit 5-cancelli ADC, 1KB RAM è cù una dimensione di memoria di prugramma.
Pudemu rimpiazzà u STM8S103F3P6 cù u MSP430G2353, picc16LF18444, STM8S103F33, Stm8S103F33P3P6R.
Iè, u STM8S103F3P6 hè pensatu cù e caratteristiche di bassa putenza è ponu esse aduprati in l'applicazioni in bateria o di bateria induve l'efficienza energetica hè essenziale.
Alcune cura chjave di u stm8s103f3p6 include gpio (entrata generale) PIN, UART (DISCINUTURE Asincrata), i2c (interfaccia di circuzione inceparata), rimorchi, e più.
NANTU à NOI
Soddisfazione di i clienti ogni volta.Fiducia mutuale è interessi cumuni.
Specificazioni tecnichi di a cella di Loet di Litiu Cole354
2024-08-02
Guida Comprensivu À Atmega328-PU Microcontrrer
2024-08-02
T491B685K010ZTPB01Email: Info@ariat-tech.comHK TEL: +852 30501966AGGIUNGI: Rm 2703 27F Ho King Comm Center 2-16,
Fa Yuen St MongKok Kowloon, Hong Kong.